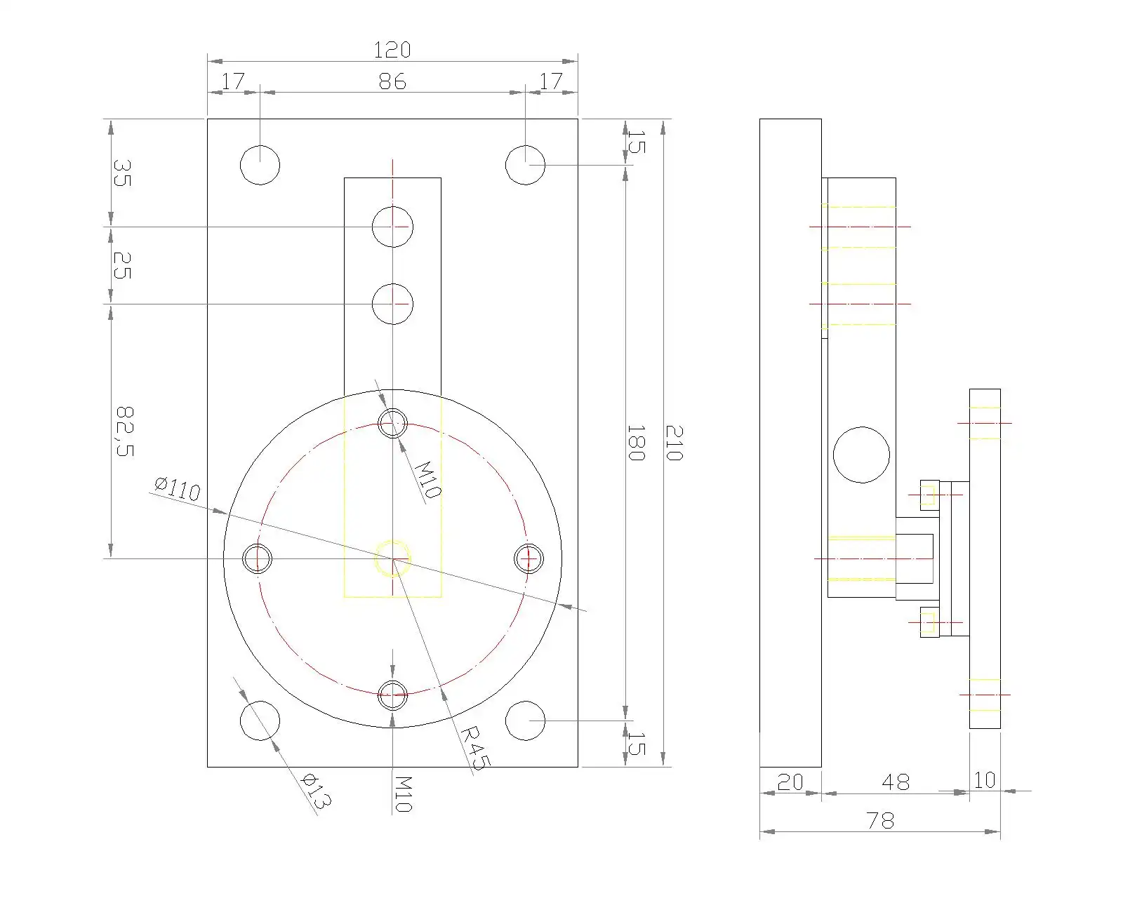
CCT1ANTIV
Tank weigh module for CT-1 load cell
- Made of galvanised and stainless steel
- High reliability and durability
- Easy assembly, anchoring with 4 screws at the top and 4 at the bottom
Tank weigh module for CT-1 load cell