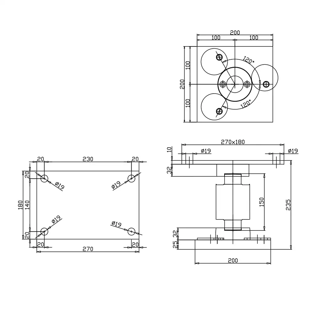
Drawings Documentation Compatibility C9ICONJBACC150 + C9ACONJCOPC1 Technical specifications C150 Stainless steel compression load cell, hermetically sealed, IP68 protection (optional IP69k) and lightning protection.