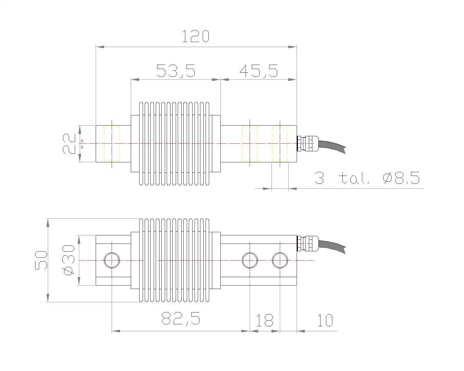
FLE-1
Load cell ref.: CFLE1
- Emax: 10-15-25-50-100-150-200 kg
- TC E-08.02.C10 (3000d OIML R60)
- Stainless steel
- Fully welded
- IP68 protection
- Option IP69K
Load cell ref.: CFLE1
Technical specifications
| Accuracy class: | C3 |
| Vmin: | Emax / 10.000 |
| Rated output: | 2 mV/V ± 0.1% |
| Excitation voltage: | 5 ÷ 15 V |
| Input resistance: | 350 Ω ± 10 Ω |
| Output resistance: | 350 Ω ± 4 Ω |
| Insulation resistance: | > 5000 MΩ (50Vdc) |
| Temperature limits: | -10º / +40ºC |
| Protected against humidity: | IP-68, IP-69 option |
| Cable length: | 5 m |