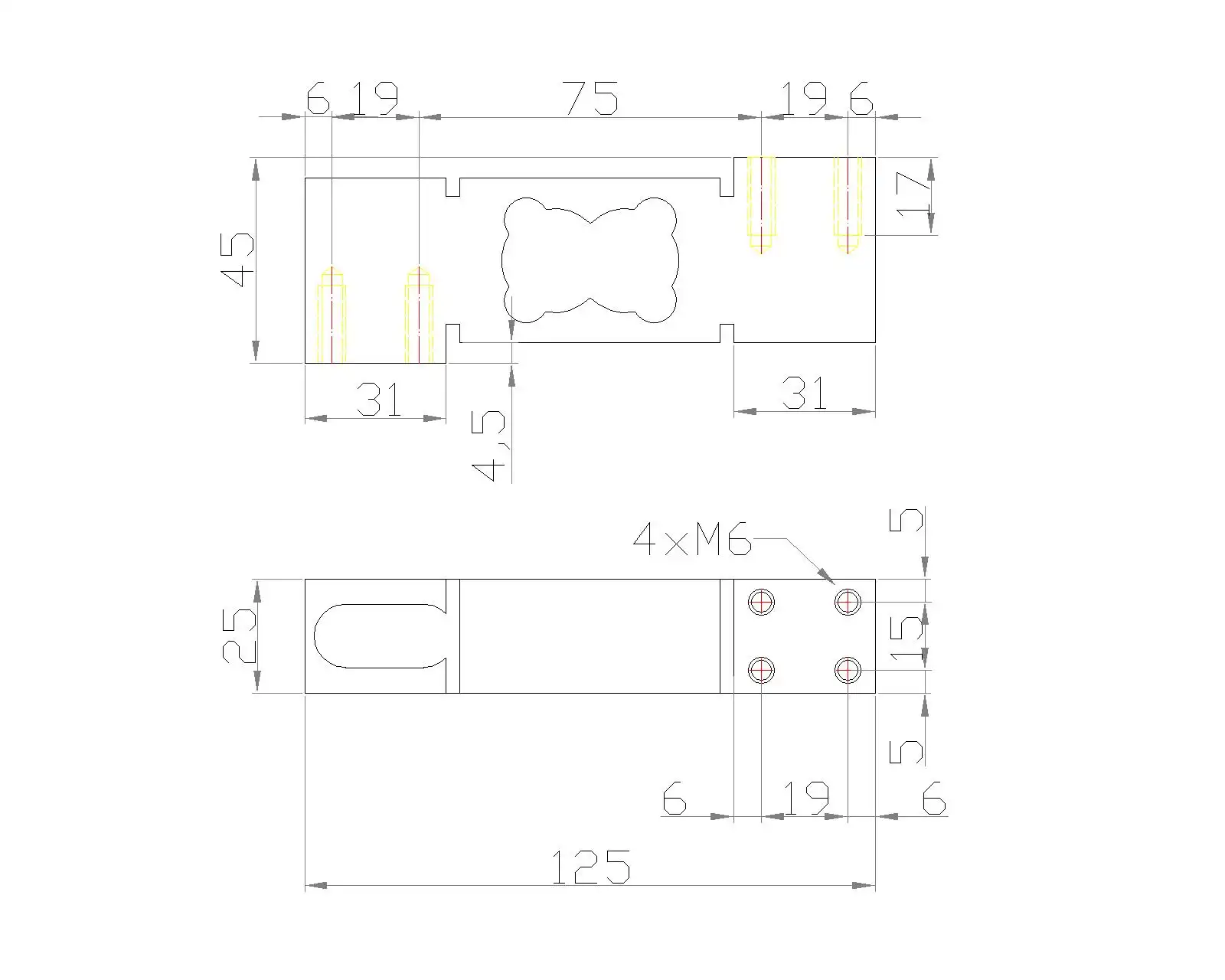
MN-6
Load cell ref.: CMN6
- Emax: 25–50–75–100–150–200–250 kg
- TC E-08.02.C08 (4000d OIML R60)
- Stainless steel
- 4000 divisions OIML R60 Class C
- For single-cell platforms up to 500 x 500 mm
Load cell ref.: CMN6
Technical specifications
| Accuracy class: | C4 |
| Vmin: | Emax / 10.000 |
| Rated output: | 2 mV/V ± 0.1% |
| Excitation voltage: | 5 ÷ 15 V |
| Input resistance: | 390 Ω ± 10 Ω |
| Output resistance: | 350 Ω ± 4 Ω |
| Insulation resistance: | > 5000 MΩ (50Vdc) |
| Temperature limits: | -10º / +40ºC |
| Protected against humidity: | IP-67 |
| Cable length: | 5 m |