Fold back arm C9TRACFLE2 Compatible with FLE-2 load cell Designed for hybridisation and threaded rod mounting.
Fold back arm C9TRACFLE2 Compatible with FLE-2 load cell Designed for hybridisation and threaded rod mounting.
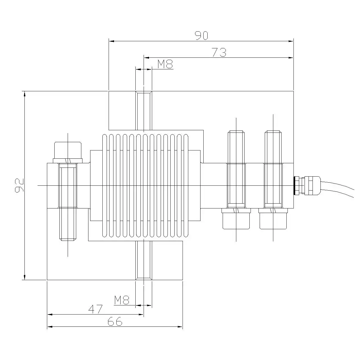
Drawings Documentation Compatibility Technical specifications FLE-2 Stainless steel flexion load cell, hermetically sealed, IP68 protection.